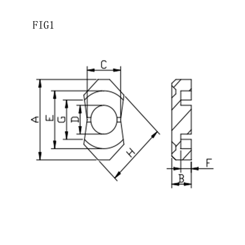
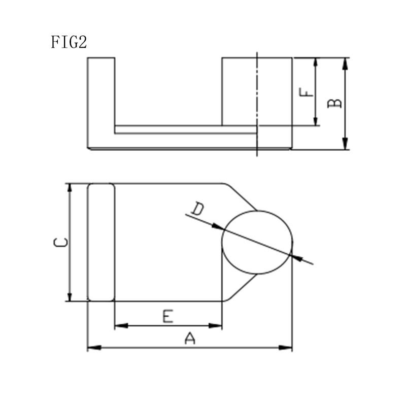
| 规格 | 尺寸(mm) | 有效磁路参数 | AL±25%(nH/N2) | ||||||||||||||
| FI | A | B | C | D | E(min) | F | G(min) | H | C1 | Ae | Le(mm) | Ve | 重量 | YR28 | YR48 | YR98 | |
| G | (mm-1) | (mm2) | (mm3) | (g) | |||||||||||||
| RM6/13 Card slot or flat bottom | 1/ | 17.8±0.5 | 6.50±0.2 | 8.2±0.25 | 6.2±0.2 | 12.4 | 4.50± | 8.4 | 14.6± | 0.86 | 34.2 | 29.5 | 1012 | 6.4 | 2200 | 2300 | 3000 |
| 2 | min | 0.2 | 0.5 | ||||||||||||||
| RM6B/13 | 1 | 18.4±0.5 | 6.5±0.2 | 8.15± | 6.25± | 13.2min | 4.5± | 10.0min | 15.4± | 0.97 | 34 | 33 | 1123 | 6.6 | 2200 | 2300 | 3000 |
| 0.25 | 0.2 | 0.2 | 0.5 | ||||||||||||||
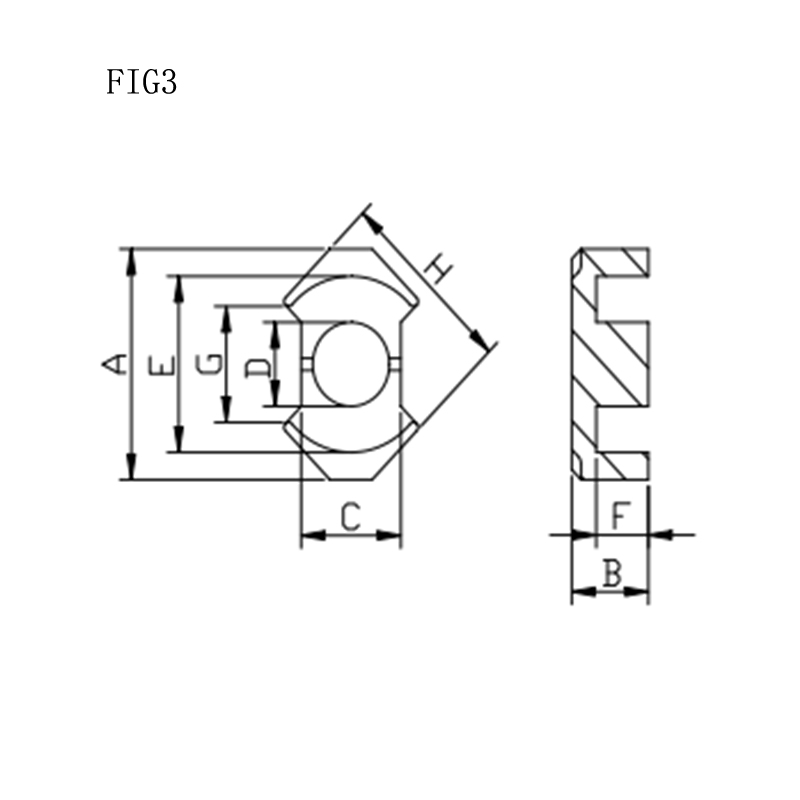
| RM8A flat bottom | 4 | 22.8±0.5 | 8.4±0.2 | 10.8± | 8.4±0.2 | 17.4±0.5 | 5.75± | 9.8 | 19.35± | 0.7 | 59 | 41.2 | 2443 | 14.5 | 3000 | 3300 | 3900 |
| 0.3 | 0.2 | 0.5 | |||||||||||||||
| RM8A Card slot | 3 | 22.8±0.5 | 8.4±0.2 | 10.8± | 8.4±0.2 | 17.4±0.5 | 5.75± | 9.8 | 19.35± | 0.71 | 58 | 41 | 2378 | 13.6 | 3000 | 3300 | 4000 |
| 0.3 | 0.2 | 0.5 | |||||||||||||||
| RM8C flat bottom | 4 | 24.0±0.5 | 7.6±0.15 | 10.9± | 8.65± | 18.2±0.4 | 4.9± | 11.8 | 19.9± | 0.64 | 61.6 | 39.2 | 2414 | 14.3 | 3100 | 3200 | 4400 |
| 0.3 | 0.2 | 0.15 | 0.3 | ||||||||||||||
| RM9A flat bottom | 4 | 25.0±0.5 | 8.3±0.2 | 12.8±0.3 | 10.2± | 19.2MIN | 5.7± | 12.6 | 21.6± | 0.59 | 72.2 | 42.3 | 3057.8 | 20 | 4000 | 4200 | 5700 |
| 0.25 | 0.2 | MIN | 0.6 | ||||||||||||||
| RM9.5/17 | 5 | 26.4±0.5 | 8.65±0.2 | 11.0± | 11.0± | 20.9MIN | 5.45± | 13.6 | 17.5 | 0.41 | 98.8 | 40.5 | 4001.4 | 23.8 | 4600 | 4800 | 6000 |
| 0.25 | 0.25 | 0.2 | MIN | MIN | |||||||||||||
| RM10A Card slot | 3 | 28.0±0.5 | 9.4±0.2 | 13.25± | 10.7± | 22.5±0.5 | 6.4± | 14.5 | 25.3± | 0.55 | 88.4 | 48.9 | 4323 | 24.9 | 4000 | 4100 | 5100 |
| 0.3 | 0.25 | 0.2 | 0.5 | ||||||||||||||
| RM10B flat bottom | 4 | 28.20± | 9.4±0.2 | 13.25± | 10.7± | 22.0±0.5 | 6.4± | 14.5 | 24.2± | 0.55 | 87.7 | 48.6 | 4267.8 | 24.2 | 4000 | 4100 | 5100 |
| 0.5 | 0.3 | 0.25 | 0.2 | 0.5 | |||||||||||||
| RM10C | 4 | 28.0± | 9.6±0.2 | 13.25± | 11.2± | 22.5MIN | 6.7± | 14.5MIN | 26.0± | 0.56 | 88.9 | 50 | 4453 | 27.2 | 4600 | 4800 | 6000 |
| 0.55 | 0.3 | 0.3 | 0.2 | 0.6 | |||||||||||||

中文简体
English
한국어





















































